Compression joints acc. to DIN 46267, Cu

  • For round conductors, e.g. acc. to EN 60228 Cl. 1, 2, 5 and 6
  • For non-tension copper cables, e.g. acc. to DIN 48201-1
  • For pre-rounded multi-stranded sector shaped conductors
  • Acc. to DIN 46267, Part 1
  • With code number for clear tool assignment
  • With crimp markings for correct crimp positioning

Features

  • Simple and safe processing due to butt mark

Material

  • Copper (EN13600)

Surface

  • Tin-plated to protect against corrosion

Additional information

  • Available as a special item in a blank version on request, article number suffix “BK”
  • 10 – 800 mm² IEC-tested

Compatibility

Cable type

Cable type Description
Single-strand conductor (Class 1 according to EN 60228) made from bright finish or metal-encased annealed copper
Multi-strand conductor (Class 2 according to EN 60228) made from bright finish or metal-encased annealed copper
Multi-strand sector conductor 90° (Class 2 according to EN 60228) made from bright finish or metal-encased annealed copper
Multi-strand sector conductor 120° (Class 2 according to EN 60228) made from bright finish or metal-encased annealed copper
Fine-strand conductor (Class 5 according to EN 60228) made from bright finish or metal-encased annealed copper
Extra-fine-strand conductor (Class 6 according to EN 60228) made from bright finish or metal-encased annealed copper
Copper cable rope (DIN 48201-1)

Ordering Information

Ordering information

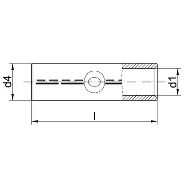
PART NO. Nominal cross-section mm² Code Dimensions mm Weight/100 pcs. ~kg PU/pcs.
d1 d4 l
121R 6 5 3,8 5,5 30 0,31 100
122R 10 6 4,5 6,0 30 0,34 100
123R 16 8 5,5 8,5 50 1,45 100
124R 25 10 7,0 10,0 50 1,77 50
125R 35 12 8,2 12,5 50 2,89 50
126R 50 14 10,0 14,5 56 4,26 50
127R 70 16 11,5 16,5 56 5,41 50
128R 95 18 13,5 19,0 70 8,62 25
129R 120 20 15,5 21,0 70 9,66 25
130R 150 22 17,0 23,5 80 14,50 10
131R 185 25 19,0 25,5 85 17,00 10
132R 240 28 21,5 29,0 90 23,41 10
133R 300 32 24,5 32,0 100 29,23 5
134R 400 38 27,5 38,5 150 74,32 5
135R 500 42 31,0 42,0 160 89,09 1
136R 625 44 34,5 44,0 160 79,10 1
137R 800 52 40,0 52,0 200 151,00 1
138R 1000 58 44,0 58,0 200 198,00 1

contact us

We’d love to see how we can help you take your project to the next level! Use the form below to get in touch with us today.