Features
Characteristics
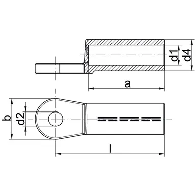
- Barrier design with oil stop
- to connect to copper busbars in dry interiors
- Simple and safe connection due to flat contact surfaces and internal chamfer
material
- E-aluminium
Surface
- Tin-plated (20 μm)
Additional information
- re = round single solid wire, rm = round multi-stranded, se = sector shaped single solid wire, sm = sector shaped multi-stranded, sector shaped conductors must be pre-rounded
- * = not standardised
- 70 – 240 mm² UI-tested






